SIMULASI KONTROL LAMPU LALU LINTAS SISTEM DETEKTOR DENGAN MENGGUNAKAN PLC UNTUK PERSIMPANGAN JALAN WARIBANG-WR. SUPRATMAN DENPASAR
on
Simulasi Kontrol Lampu Lalu Lintas……
Alit Swamardika
SIMULASI KONTROL LAMPU LALU LINTAS SISTEM DETEKTOR
DENGAN MENGGUNAKAN PLC UNTUK PERSIMPANGAN JALAN WARIBANG-WR. SUPRATMAN DENPASAR
Oleh : Alit Swamardika, I.B.
Staff pengajar Program Studi Teknik Elektro Universitas Udayana
ABSTRAK
Pengaturan lampu lalu lintas yang ada sekarang ini kebayakan menggunakan sistem pengaturan waktu tetap dimana lampu diatur agar bekerja berdasarkan waktu tetap, tanpa memperhatikan naik turunya arus lalu lintas. Untuk itu, ditawarkan suatu sistem detektor (traffic actuated).dengan memanfaatkan PLC (programmeble logic controller) sebagai kontroller. Pada penelitian ini dibuat suatu alat simulasi dengan PLC tipe CPM1A merk Omron. Proses kerja alat ini berupa pengiriman input dari sensor yang dipasang pada badan jalan, yang mana sensor ini mendekteksi ada dan tidaknya kendaraan. Alat yang dirancang ini berjalan dengan baik, dimana ada alat bekerja pada enam keadaan yaitu: keadaan upacara, prioritas phase I, prioritas phase II, emergency phase I, emergency phase II dan keadaan normal.
Kata kunci : PLC, lampu lalu lintas, sistem detektor
Pengaturan lampu lalu lintas yang ada sekarang ini kebanyakan menggunakan sistem pengaturan waktu tetap dimana lampu diatur agar bekerja berdasarkan waktu tetap, tanpa memperhatikan naik turunnya arus lalu lintas. Kelemahan dari sistem ini adalah kaku menyebabkan hambatan atau penundaan yang tidak perlu. Untuk itu perlu dikembangkan suatu sistem kontrol yang dapat mengurangi penundaan yang tidak perlu dan dapat memberikan prioritas untuk iring-iringan mobil pejabat, pemadam kebakaran dan ambulans tanpa mengalami hambatan akibat dari pengaturan lampu lalu lintas.
Salah satu solusi untuk mengatasi masalah tersebut adalah dibuat kontrol lampu lalu lintas sistem detektor (traffic actuated).
Untuk membuat kontrol lampu lalu lintas sistem detektor selain detektor itu sendiri juga diperlukan suatu perangkat lain yang bisa mengontrol kerja lampu lalu lintas. Sistem kontrol yang digunakan dalam penelitian ini adalah menggunakan PLC tipe CPM1A merk Omron. PLC akan bekerja sesuai dengan input yang diterimanya. Ada enam kondisi input yaitu input untuk kondisi upacara, prioritas phase I, prioritas phase II, emergency phase I, emergency phase II dan input untuk kondisi normal.
-
2. PLC (programmable logic controller).
PLC (Programmable Logic Controler) merupakan suatu peralatan elektronik yang dioperasikan secara digital. Didalamnya terdapat memori (yang dapat diprogram) tempat menyimpan intruksi-intruksi yang penggunaanya yang berkaitan dengan fungsi pengendalian tertentu. Didalamnya terdapat juga rangkaian logika, urutan eksekusi, perhitungan, selang waktu, dan fungsi aritmatika.
PLC terdiri dari CPU (central prosesing unit), memori, pemrograman PLC, catu daya PLC, Masukan PLC, pengaturan atau antar muka masukan, keluaran
PLC, pengaturan atau antar muka keluaran dan jalur ektensi atau tambahan.

Gambar 1 Elemen-elemen dasar PLC
Tiap-tiap PLC pada dasarnya merupakan sebuah mikrokontroller (CPU-nya PLC bisa berupa mikrokontroler maupun mikroprosesor) yang dilengkapi dengan periferal yang berupa masukan digital, keluaran digital atau relay. Perangkat lunak programnya menggunakan apa yang dinamakan sebagai diagram tangga atau ladder diagram. CPM1A memiliki 12 masukan (D0-D11) dan 8 keluaran (O0-O7).

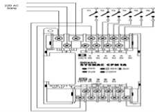
Gambar 2 PLC Omron CPM1A
Selain adanya indikator keluaran dan masukan, terlihat juga adanya 4 macam lampu indikator, yaitu:
Tabel 1. Arti lampu indikator PLC CPM1A.
|
Indikator |
Status |
Keterangan |
|
PWR (hijau) |
ON |
Catu daya disalurkan ke PLC |
|
OFF |
Catu daya tidak disalurkan ke PLC | |
|
RUN (hijau) |
ON |
PLC dalam kodisi mode kerja RUN atau MONITOR. |
|
OFF |
PLC dalam kondisi mode PROGRAM atau munculnya kesalahan yang fatal. | |
|
COMM (kuning) |
Kedip |
Data sedang dikirim melalui port perifedral. |
|
OFF |
Tidak ada proses pengiriman data melalui port perifedral. | |
|
ERR/ALM (merah) |
ON |
Muncul suatu kesalahan fatal (operasi PLC berhenti). |
|
Kedip |
Muncul Suatu kesalahan tak-fatal (operasi berlanjut). | |
|
OFF |
Operasi berjalan dengan normal. |
Selain 4 lampu indikator, juga biasa ditemukan adanya fasilitas untuk melakukan hubungan komunikasi dengan komputer, melalui RS-232C atau yang lebih dikenal dengan port serial (perhatikan gambar 2 disebelah kanan).
Unit PLC CPM1A dapat bekerja dalam tiga mode yaitu:
-
1. Mode PROGRAM
Program atau diagram tangga tidak dapat bekerja dalam mode program ini. Mode ini digunakan untuk melakukan beberapa operasi dalam persiapan eksekusi program:
-
a. Mengubah parameter-perameter inisial/operasi sebagaimana terdapat di dalam Setup PC.
-
b. Menulis, menyalin atau memeriksa program.
-
c. Memeriksa pengkabelan dengan cara memaksa bitbit I/O ke kondisi set atau reset.
-
2. Mode MONITOR.
Program atau diagram tangga berjalan dalam MONITOR ini dan beberapa operasi dapat dilakukan melalui sebuah piranti pemrograman. Secara umum, mode MONITOR digunakan untuk melakukan lacak-kesalahan (debug atau troubleshoting), operasi pengujian dan melakukan penyesuaian (adjustment):
-
a. Pengendalian on-line (langsung).
-
b. Mengawasi memori I/O selama PLC beroperasi.
-
c. Memaksa set atau reset bit-bit I/O, mengubah nilai-nilai dan mengubah nilai saat ini selama PLC beroperasi.
-
3. Mode RUN.
Program atau diagram tangga dijalankan dengan kecepatan normal pada mode run ini. Operasi-operasi seperti pengeditan on-line, memaksa set atau reset bitbit I/O dan mengubah nilai-nilai tidak dapat dilakukan dalam mode ini, tetapi status dari bit I/O dapat diawasi.
Memori PLC Omron CPM1A memiliki fungsi-fungsi khusus. Masing-masing lokasi memori memiliki ukuran 16-bit atau 1 word, beberapa word
membentuk daerah atau region dan masing-masing region ini memiliki fungsi khusus.
-
1. Daerah IR.
Bagian memori ini digunakan untuk menyimpan status keluaran dan masukan PLC. Beberapa bit berhubungan langsung dengan terminal masukan dan keluaran PLC (terminal sekrup). Daerah memori IR terbagi atas tiga macam area yaitu:
Tabel 2. Pembagian Area IR pada CPM1A
|
Area Memori |
Word |
Bit |
Fungsi | |
|
Area IR |
Area masukan |
IR 000-IR009 (10 word) |
IR 000.00-IR009.15 (160 bit) |
Bit-bit ini dapat dialokasikan ke terminalterminal I/O |
|
Area keluaran |
IR 010-IR019 (10 word) |
IR 010.00-IR019.15 (160 bit) | ||
|
Area kerja |
IR 020-IR049 IR 200-IR231 (10 word) |
IR 020.00-IR049.15 IR 200.00-IR231.15 (160 bit) |
Bit-bit ini dapat digunakan dengan bebas didalam program | |
2. Daerah SR.
Daerah ini merupakan bagian kusus dari lokasi memori yang digunakan sebagai bit-bit kontrol dan status (flag), digunakan untuk pencacah dan intrupsi.
-
3. Daerah TR.
Saat pindah ke subprogram selama eksekusi program, maka semua data yang terkait hingga batasan RETURN subprogram akan disimpan dalam daerah TR ini.
-
4. Daerah HR.
Bit-bit pada daerah HR ini digunakan untuk menyimpan data dan tidak akan hilang walaupun PLC sudah tidak mendapatkan catu daya atau PLC sudah dimatikan, karana menggunakan baterai. Untuk CPM1A daerah ini terdiri dari 20 word, HR00 hingga HR19 atau 320 bit, HR00.00 hingga HR19.15.
-
5. Daerah AR.
Daerah AR merupakan daerah lain yang digunakan untuk menyimpan bit-bit kontrol dan status, kesalahan dan waktu sistem. Sebagaimana daerah HR, daerah AR juga dilengkapi dengan baterai, sehingga data-data kontrol maupun status tetap akan tersimpan walaupun PLC sudah dimatikan. Pada CPM1A daerah ini terdiri dari 24 word, AR00 hingga AR23 atau 384 bit, AR00.00 hingga AR23.15.
-
6. Daerah LR.
Digunakan sebagai pertukaran data saat dilakukan koneksi atau hubungan dengan PLC yang lain. Untuk CPM1A , daerah ini terdiri dari 16 word, LR00 hingga LR15 atau 256 bit, LR00.00 hingga LR15.15.
-
7. Daerah Pewaktu/Pencacah (Timer/Counter)-T/C Area.
Daearah ini digunakan untuk menyimpan nilai-nilai pewaktu atau pencacah. Untuk CPM1A terdapat 226 lokasi (TC000 hingga TC225).
-
8. Daerah DM.
Daearah ini berisikan data-data yang terkait dengan pengaturan komunikasi dengan komputer dan data pada saat ada kesalahan.
Tabel 3. Pembagian Area DM pada CPM1A
|
Area Memori |
Word |
Fungsi | |
|
Area DM |
Read/write |
DM0000- DM1999 DM2022- DM2047 (2026 word) |
Area DM hanya bisa diakses dalam satuan word saja. Nilai yang tersimpan akan tetap tersimpan walaupun PLC dimatikan. |
|
Error Log |
DM2000-DM2021 (22 word) |
Digunakan untuk menyimpan kode kesalahan (error) yang muncul. Word-word ini dapat digunakan sebagai sebagai DM baca/tulis jika fungsi pencatat kesalahan (error log) tidak digunakan. | |
|
Read-0nly |
DM6144-DM6599 (456 word) |
Tidak dapat ditumpangi data lain untuk program. | |
|
PC Setup |
DM6600-DM6655 (56 word) |
Digunakan untuk menyimpan berbagai parameter yang mengontrol operasi PLC. | |
Omron CPM1A menggunakan keluaran berupa relay, dengan adanya relay ini, menghubungkan dengan piranti eksternal menjadi lebih mudah.

Gambar 3. Relay sebagai keluaran pada PLC Omron.
Berbagai macam sensor, saklar atau komponen-komponen lain yang dapat digunakan untuk mengubah status bit dari memori status masukan PLC dapat dipasang atau digunakan sebagai masukan ke PLC. CPM1A sudah dilengkapi sumber tegangan 24 VDC guna memicu masukan untuk bisa melakukan perubahan pada memori.

Gambar 4. menghubungkan saklar dengan masukan plc.
Dalam penulisan suatu program pada PLC terdapat beberapa cara tergantung dari type PLC yang digunakan, secara umum cara yang digunakan adalah sebagai berikut:
Sebuah diagram tangga atau ladder diagram terdiri dari sebuah garis menurun ke bawah pada sisi kiri dengan garis-garis bercabang ke kanan. Garis yang ada disebelah sisi kiri disebut palang bis (bus bar),
sedangkan garis-garis cabang (the branching lines) adalah baris intruksi atau anak tangga.
Tombol_On
000.00
Tombol_Off Output
000.01 010.00
Kontak_Output
010.00
Gambar 5. contoh program ladder diagram.
Simbol yang dapat digunakan dalam sistem funtion Chart berupa simbol-simbol gerbang logika.
000.00
010.00
000.01
Gambar 6. contoh program function chart.
Pada ststement list baris instruksi diberi nomor secara berurutan dan beraturan untuk setiap instruksinya.
Tabel 4. Statement List.
|
Alamat |
Singkatan Instruksi Sistem PLC |
Instruksi Sistem PLC |
|
000.00 |
LD |
LOAD |
|
010.00 |
OR |
OR |
|
000.01 |
AND NOT |
AND NOT |
|
010.00 |
OUT |
OUTPUT |
Pada PLC alamat input/output yang dipakai adalah seperti tabel berikut:
Tabel 5. Alamat Input/Output PLC.
|
Alamat |
Keterangan |
|
000.00 |
Input saklar kondisi upacara. |
|
000.01 |
Input sensor pada phase I |
|
000.02 |
Input sensor pada phase II |
|
000.03 |
Input saklar emergency phase I |
|
000.04 |
Input saklar emergency phase II |
|
010.00 |
Output lampu merah pada phase II |
|
010.01 |
Output lampu hijau pada phase II |
|
010.02 |
Output lampu kuning pada phase II |
|
010.03 |
Output lampu merah pada phase I |
|
010.04 |
Output lampu hijau pada phase I |
|
010.05 |
Output lampu kuning pada phase I |
|
L1 |
Fase 1 |
|
GND |
Ground |
|
L2 |
Netral |
|
+ 24 VDC |
Catu daya internal PLC untuk input. |
|
- 24 VDC |
Catu daya internal PLC untuk input. |
Alat bekerja dalam enam kondisi. Tapi untuk kondisi normal lama waktu hijau (green time) yang dihasilkan pada phase I adalah selama 9,695 detik dan pada phase II selama 20,740 detik, waktu merah (red time) adalah selama 28,741 detik untuk phase I dan 17,695 detik untuk phase II, sedangkan waktu kuning (yellow time) untuk kedua phase adalah selama 3 detik dan merah semua (all red) selama 2 detik.
Dalam kondisi otomatis alat bekerja pada empat kondisi yaitu:
-
4.1 .1 Kondisi Kosong
Diketahui bahwa semua kondisi sensor (S0, S1, S2, S3, S4) dalam keadaan Off dengan kondisi seperti ini nyala lampu lalu lintas bekerja secara bergantian. 4.1.2 Kondisi Padat.
Diketahui bahwa kondisi sensor phase I dan phase II dalam keadaan On (ada picuan) sedangkan saklar upacara (S0), saklar emergency phase I (S3) dan saklar emergency phase II (S4) dalam keadaan Off dengan kondisi seperti ini nyala lampu lalu lintas bekerja secara bergantian.
-
4.1 .3 Kondisi Prioritas Pada Phase I.
Diketahui bahwa kondisi sensor pada phase I dalam keadaan On (ada picuan) sedangkan sensor pada phase II dalam keadaan Off (tidak ada pemicuan) dan kondisi saklar upacara, saklar emergency pada phase I dan saklar emergency pada phase II dalam keadaan Off 4.1.4 Kondisi Prioritas Pada Phase II.
Kondisi prioritas pada phase II sama halnya dengan kondisi prioritas pada phase I hanya saja yang mendapat kondisi hijau adalah phase II dan kondisi merah pada phase I.
Tabel 6. Kerja alat kondisi otomatis.
|
No |
Kondisi |
Input |
Output | ||||||||||
|
Phase I |
Phase II | ||||||||||||
|
S0 |
S1 |
S2 |
S3 |
S4 |
K |
H |
M |
K |
H |
M | |||
|
1 |
Kosong |
0 |
0 |
0 |
0 |
0 |
0 |
1 |
0 |
0 |
0 |
1 |
10dt |
|
0 |
0 |
0 |
0 |
0 |
1 |
0 |
0 |
0 |
0 |
1 |
4 dt | ||
|
0 |
0 |
0 |
0 |
0 |
0 |
0 |
1 |
0 |
0 |
1 |
2 dt | ||
|
0 |
0 |
0 |
0 |
0 |
0 |
0 |
1 |
0 |
1 |
0 |
21dt | ||
|
0 |
0 |
0 |
0 |
0 |
0 |
0 |
1 |
1 |
0 |
0 |
4 dt | ||
|
0 |
0 |
0 |
0 |
0 |
0 |
0 |
1 |
0 |
0 |
1 |
2 dt | ||
|
2 |
Padat |
0 |
1 |
1 |
0 |
0 |
0 |
1 |
0 |
0 |
0 |
1 |
10dt |
|
0 |
1 |
1 |
0 |
0 |
1 |
0 |
0 |
0 |
0 |
1 |
4 dt | ||
|
0 |
1 |
1 |
0 |
0 |
0 |
0 |
1 |
0 |
0 |
1 |
2 dt | ||
|
0 |
1 |
1 |
0 |
0 |
0 |
0 |
1 |
0 |
1 |
0 |
21dt | ||
|
0 |
1 |
1 |
0 |
0 |
0 |
0 |
1 |
1 |
0 |
0 |
4 dt | ||
|
0 |
1 |
1 |
0 |
0 |
0 |
0 |
1 |
0 |
0 |
1 |
2 dt | ||
|
3 |
Prioritas Phase I (utara-selatan) |
0 |
1 |
0 |
0 |
0 |
0 |
1 |
0 |
0 |
0 |
1 |
∼ dt |
|
0 |
1 |
1 |
0 |
0 |
0 |
1 |
0 |
0 |
0 |
1 |
10dt | ||
|
0 |
1 |
1 |
0 |
0 |
1 |
0 |
0 |
0 |
0 |
1 |
4 dt | ||
|
0 |
1 |
1 |
0 |
0 |
0 |
0 |
1 |
0 |
0 |
1 |
2 dt | ||
|
0 |
1 |
1 |
0 |
0 |
0 |
0 |
1 |
0 |
1 |
0 |
21dt | ||
|
0 |
1 |
1 |
0 |
0 |
0 |
0 |
1 |
1 |
0 |
0 |
4 dt | ||
|
0 |
1 |
1 |
0 |
0 |
0 |
0 |
1 |
0 |
0 |
1 |
2 dt | ||
|
0 |
1 |
1 |
0 |
0 |
0 |
1 |
0 |
0 |
0 |
1 |
10dt | ||
|
0 |
1 |
1 |
0 |
0 |
1 |
0 |
0 |
0 |
0 |
1 |
4 dt | ||
|
0 |
1 |
1 |
0 |
0 |
0 |
0 |
1 |
0 |
0 |
1 |
2 dt | ||
|
4 |
Prioritas Phase II (barat-timur) |
0 |
0 |
1 |
0 |
0 |
0 |
0 |
1 |
0 |
1 |
0 |
∼ dt |
|
0 |
1 |
1 |
0 |
0 |
0 |
0 |
1 |
0 |
1 |
0 |
21dt | ||
|
0 |
1 |
1 |
0 |
0 |
0 |
0 |
1 |
1 |
0 |
0 |
4 dt | ||
|
0 |
1 |
1 |
0 |
0 |
0 |
0 |
1 |
0 |
0 |
1 |
2 dt | ||
|
0 |
1 |
1 |
0 |
0 |
0 |
1 |
0 |
0 |
0 |
1 |
10dt | ||
|
0 |
1 |
1 |
0 |
0 |
1 |
0 |
0 |
0 |
0 |
1 |
4 dt | ||
|
0 |
1 |
1 |
0 |
0 |
0 |
0 |
1 |
0 |
0 |
1 |
2 dt | ||
|
0 |
1 |
1 |
0 |
0 |
0 |
0 |
1 |
0 |
1 |
0 |
21dt | ||
|
0 |
1 |
1 |
0 |
0 |
0 |
0 |
1 |
1 |
0 |
0 |
4 dt | ||
|
0 |
1 |
1 |
0 |
0 |
0 |
0 |
1 |
0 |
0 |
1 |
2 dt | ||
|
Keterangan : S0 = Saklar upacara.
M = Merah. K = Kuning H = Hijau 4.2 Kondisi Upacara. Dalam kondisi ini, dimana nyala lampu semua phase dalam keadaan merah (all red). Keadaan ini berlangsung selama sensor upacara (Saklar_Upacara) dalam keadaan ON (bekerja), walaupun ada permintaan dari sensor lainya baik itu saklar emergency ataupun sensor pada masing-masing phase. | |||||||||||||
Tabel 6. Kerja alat kondisi otomatis.
|
No |
Kondisi |
Input |
Output |
i | |||||||||
|
Phase I |
Phase II | ||||||||||||
|
S0 |
S1 |
S2 |
S3 |
S4 |
K |
H |
M |
K |
H |
M | |||
|
1 |
Upacara |
1 |
0 |
0 |
0 |
0 |
0 |
0 |
1 |
0 |
0 |
1 |
∼ dt |
|
1 |
1 |
0 |
0 |
0 |
0 |
0 |
1 |
0 |
0 |
1 |
∼ dt | ||
|
1 |
0 |
1 |
0 |
0 |
0 |
0 |
1 |
0 |
0 |
1 |
∼ dt | ||
|
1 |
0 |
0 |
1 |
0 |
0 |
0 |
1 |
0 |
0 |
1 |
∼ dt | ||
|
1 |
0 |
0 |
0 |
1 |
0 |
0 |
1 |
0 |
0 |
1 |
∼ dt | ||
|
1 |
1 |
1 |
1 |
1 |
0 |
0 |
1 |
0 |
0 |
1 |
∼ dt | ||
|
0 |
1 |
1 |
0 |
0 |
0 |
1 |
0 |
0 |
0 |
1 |
normal | ||
Kondisi emergency pada emergency pada phase I dimana kondisi nyala lampu untuk phase I
(utara-selatan) adalah hijau dan kondisi nyala lampu pada phase II (barat-timur) adalah merah.
Tabel 7. Kerja alat kondisi Emergency Phase I.
|
No |
Kondisi |
Input |
Output |
W | |||||||||
|
Phase I |
Phase II | ||||||||||||
|
S0 |
S1 |
S2 |
S3 |
S4 |
K |
H |
M |
K |
H |
M | |||
|
1 |
Emergency pada Phase I |
0 |
0 |
0 |
1 |
0 |
0 |
1 |
0 |
0 |
0 |
1 |
∼ dt |
|
0 |
0 |
1 |
1 |
0 |
0 |
1 |
0 |
0 |
0 |
1 |
∼ dt | ||
|
0 |
1 |
0 |
1 |
0 |
0 |
1 |
0 |
0 |
0 |
1 |
∼ dt | ||
|
0 |
1 |
1 |
1 |
0 |
0 |
1 |
0 |
0 |
0 |
1 |
∼ dt | ||
|
0 |
1 |
1 |
0 |
0 |
0 |
1 |
0 |
0 |
0 |
1 |
normal | ||
Dari tabel 7 diatas saklar emergency pada phase I (S3) dalam keadaan On sedangkan saklar emergency pada phase II (S4) dan saklar upacara (S0) dalam keaadaan Off. Kondisi lampu lalu lintas akan memberikan kondisi hijau untuk phase I dan kondisi merah untuk phase II tanpa memperhatikan rolling waktu dan keadaan sensor tekanan baik sensor pada phase I (S1) dan sensor pada phase II (S2). Kondisi ini akan berakhir apabila saklar emergensi pada phase I kembali keposisi Off.
Kondisi emergency pada emergency pada phase II dimana kondisi nyala lampu untuk phase II (barat-timur) adalah hijau dan kondisi nyala lampu pada phase I (utara-selatan) adalah merah.
Tabel 8. Kerja alat kondisi Emergency Phase II.

emergency pada phase I (S3) dan saklar upacara (S0) dalam keaadaan Off. Kondisi lampu lalu lintas akan memberikan kondisi hijau untuk phase II dan kondisi merah untuk phase I tanpa memperhatikan rolling waktu dan keadaan sensor tekanan baik sensor pada phase I (S1) dan sensor pada phase II (S2). Kondisi ini akan berakhir apabila saklar emergensi pada phase II kembali keposisi Off.

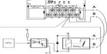
Gambar 7.Hasil Rancangan Simulasi Alat.
-
1. Persimpangan Jalan Waribang-WR. Supratman terbagi atas dua phase (stage) yaitu phase I untuk Jalan Waribang dengan Jalan Sulatri dan phase II untuk Jalan WR. Supratman. Besarnya waktu hijau (green time) yang dihasilkan pada phase I adalah selama 9,695 detik dan pada phase II selama 20,740 detik, waktu merah (red time) adalah selama 28,741 detik untuk phase I dan 17,695 detik untuk phase II, sedangkan waktu kuning (yellow time) untuk kedua phase adalah selama 3 detik dan merah semua (all red) selama 2 detik.
-
2. Pengaturan lampu lalu lintas dengan sistem detektor dapat mengurangi delay yang tidak perlu dan dapat mengkondisikan keadaan khusus (emergency) dengan dilakukan operasi saklar.
-
3. Tingkat pelayanan persimpangan setelah dilakukan pengaturan lalu lintas dengan sistem pengaturan lampu lalu lintas adalah A.
-
1. Agfianto, E.P., 2004. Konsep, Pemrograman dan Aplikasi. Yogyakarta: Gava Media.
-
2. Budianto, M 2003. Pengenalan Dasar-Dasar PLC. Yogyakarta: Gava Media
-
3. Crispin, AJ 1997. Programeble Logic Controller and Their Egineering Aplication Seccound Edition. London: MC Graw-Hill Publishing Company.
-
4. Dinas Lalu Lintas dan Angkutan Jalan 2000. Menuju Lalu Lintas dan Angkutan Jalan Yang Tertib. Denpasar: Depertemen Perhubungan.
-
5. Malkhamah Siti 1996. Survey Lampu Lalu-Lintas dan Penghantar Manejemen Lalu-Lintas. Yogyakarta: KMTS FT UGM.
-
6. Omron. 2001. Sysmac CPM1A/CPM2A Programming Manual. Japan: Omron Corporation.
-
7. Omron. 2003. Sysmac CPM1A/ CPM2A Operation Manual. Japan: Omron Corporation.
-
8. Pignataro,L.J. 1973. Traffic engineering, theory And Practice, Praktice Hall Inc. New Jersey: Englewood Cliffs.
-
9. Sumisjokartono. 1995. Elektronika Praktis. Jakarta:Gramedia.
-
10. Telemecanique. 1999. Katalog Produk
Indonesia. Jakarta: Schneider Industri.
-
11. Warpani, S. 1993. Rekayasa Lalu-Lintas.
Jakarta: Bhratara.
-
12. Webb, JW 1999. Programeble Logic Controllers Principles and Aplications Fourth Edition. New Jersey: Pritice Hall.
Teknologi Elektro
21
Vol.4 No.2 Juli - Desember 2005
Discussion and feedback