RANCANG BANGUN BEL SEKOLAH OTOMATIS BERBASIS MIKROKONTROLER AVR ATMEGA8
on
Rancang Bangun Bel…
I Gusti Agung Putu Raka Agung dkk
RANCANG BANGUN BEL SEKOLAH OTOMATIS BERBASIS MIKROKONTROLER AVR ATMEGA8
I Gusti Agung Putu Raka Agung, I Gusti Ngurah Janardana, Ferry Ardiansyah Jurusan Teknik Elektro, Fakultas Teknik, Universitas Udayana Kampus Bukit Jimbaran, Bali 80361, tlp(0361)79720831 Email: igapraka@yahoo.co.id
Abstract
School bell technology is no stranger in our education, especially in the school environment. School bell is a means to inform teachers and studens when the lesson would begin and end. Generally, the school bell still use human power to ring it. It is still rarely schools have that use automatic school bell that rang the bell itself could work in accordance with the existing timetable. The working process of this tool is to apply the settings at the current time, then enter a list of the existing bell schedule. After the microcontroller will read the data register bell today that it has saved over and over and compare it with the current time. In the event of a data match the hours and minutes of time now with a list of the bell today then the microcontroller will send commands to the relay to connect a relay switch that round bell rang. This tool is equipped with 4x4 keypad buttons that serve as the edit button and input the data clock, but it also features a series of displays 7segment hours now so that helps users know at the present time. From the research results obtained relay can be connected automatically with round bell, which was fully control the AVR ATmega8 microcontroller commands the placement of a predefined time of RTC.
Keyword : School bell, Mikrokontroler AVR atmega8, RTC DS1307, relay
Abstrak
Teknologi bel sekolah sudah tidak asing lagi dalam dunia pendidikan kita khususnya di lingkungan sekolah. Bel sekolah merupakan sarana untuk memberitahukan para siswa dan guru kapan pelajaran mau mulai dan berakhir. Umumnya bel sekolah masih memakai tenaga manusia untuk membunyikannya. Masih jarang sekolah yang menggunakan bel sekolah secara otomatis yang bisa bekerja sendiri membunyikan bel sesuai dengan jadwal pelajaran yang ada. Proses kerja dari alat ini adalah dengan melakukan setting jam waktu sekarang, kemudian memasukkan daftar bel sesuai jadwal yang ada. Setelah itu mikrokontroler akan membaca data daftar bel hari ini yang sudah tersimpan tersebut berulang-ulang dan membandingkannya dengan waktu saat ini. Apabila terjadi kecocokan data jam dan menit waktu sekarang dengan daftar bel hari ini maka mikrokontroler akan mengirimkan perintah pada relay untuk menyambungkan saklar relay sehingga round bel berbunyi. Alat ini dilengkapi dengan tombol keypad 4x4 yang berfungsi sebagai tombol edit dan input data jam, selain itu juga dilengkapi rangkaian 7segment yang berfungsi menampilkan data jam sekarang sehingga membantu pengguna mengetahui jam waktu sekarang. Dari hasil penelitian didapat relay dapat tersambung secara otomatis dengan round bel, dimana kendali sepenuhnya berada pada perintah mikrokontroler AVR atmega8 dengan penempatan waktu yang sudah ditetapkan dari RTC
Kata kunci : bel sekolah, mikrokontroler AVR atmega8, RTC DS1307, relay
Kemajuan suatu bangsa sangat didukung oleh kemajuan pada bidang pendidikan. Hal ini terlihat saat pemerintah mengalokasikan minimal 20% dana APBN/APBD untuk bidang pendidikan dasar 9 tahun. Pendidikan formal yang dilaksanakan di sekolah-sekolah dari SD sampai SMA berlangsung menurut jadwal atau daftar pelajaran yang biasanya berlangsung dari jam 7.30 – 12.30 selama 6 hari setiap minggu. Awal dan akhir setiap pelajaran biasanya ditandai dengan berbunyinya bel sekolah, begitu juga saat mau istirahat ataupun pulang sekolah.
Umumnya pengoperasian bel sekolah dilakukan secara manual dengan melihat waktu pada jam dinding dan menekan tombol bel. Melihat kondisi ini pada penelitian ini akan dirancang dan direalisasikan bel sekolah berbasis mikrokontroler AVR ATMega8 yang akan berbunyi otomatis sesuai waktu yang sudah ditentukan. Sumber waktu real (nyata) berasal dari RTC DS1307 (real time clock) yang dihubungkan ke port mikrokontroler memakai sistem bus I2C (inter integrated circuit) yang hanya memakai 2 konduktor/kabel saja. Perubahan-perubahan pada jadwal pelajaran bisa dilakukan dengan memasukkan data yang baru melalui keypad matrik 4x3. Peralatan ini juga dilengkapi dengan display LCD sehingga input data bisa terdisplay
untuk memudahkan operator saat memasukkan perubahan jadwal pelajaran misalnya saat ulangan umum atau kerja bakti. Supaya tidak sembarang orang bisa mengoperasikan bel sekolah disediakan juga password yang dimasukkan lewat keypad, sehingga operator yang berwenang saja yang boleh mengubah waktu berbunyinya bel sekolah. Disediakan juga display tujuh segment sehingga display waktu bisa dilihat dari jarak cukup jauh dan juga tombol manual untuk mengendalikan bel secara manual pada saat-saat darurat.
Pengaturan alokasi waktu untuk setiap mata pelajaran yang terdapat pada sistem semester ganjil dan genap dalam satu tahun ajaran dapat dilakukan secara fleksibel dengan jumlah beban belajar yang tetap. Satuan pendidikan dimungkinkan menambah maksimum empat jam pembelajaran per minggu secara keseluruhan. Pemanfaatan jam pembelajaran tambahan mempertimbangkan kebutuhan peserta didik dalam mencapai kompetensi, di samping dimanfaatkan untuk mata pelajaran lain yang dianggap penting dan tidak terdapat di dalam struktur kurikulum. Perbedaan sistem paket dan sistem sks rata-rata 1 sks sama dengan 2 jam waktu pembelajaran pada sistem paket. [1].
Alokasi waktu untuk tatap muka, penugasan terstruktur, dan kegiatan mandiri tidak terstruktur untuk SMP / MTs dan SMA / MA / SMK / MAK yang menggunakan sistem satuan kredit semester (sks) mengikuti aturan sebagai berikut [1] :
-
1. Satu sks pada SMP / MTs terdiri atas 40 menit tatap muka,40 menit kegiatan terstruktur dan 40 menit kegiatan mandiri tidak terstruktur. Total waktu keseluruhan 120 menit
-
2. Satu sks pada SMA / MA / SMK / MAK terdiri atas 45 menit tatap muka, 45 menit kegiatan terstruktur dan 45 menit kegiatan mandiri tidak terstruktur. Total waktu keseluruhan 135 menit
Keseluruhan pelaksanaan waktu belajar di sekolah ini ditandai dengan berbunyinya bel sekolah, mulai dari jam pelajaran pertama, ke dua sampai dengan pulang sekolah.
Mikrokontroler AVR (Alf and Vegard’s Risc processor) dari Atmel ini menggunakan arsitektur RISC (Reduced Instructions Set Computer) yang artinya prosesor tersebut memiliki set intruksi program yang lebih sedikit dibandingkan dengan MCS-51 yang menerapkan arsitektur CISC (Complex Instruction Set Computer). Hampir semua instruksi prosesor RISC adalah intrusksi dasar (belum tentu sederhana), sehingga intruksi-intruksi ini umumnya hanya memerlukan 1 siklus mesin untuk menjalankannya, kecuali intruksi percabangan yang
membutuhkan 2 siklus mesin. RISC biasanya dibuat dengan arsitektur Harvard, karena arsitektur ini yang memungkinkan untuk membuat eksekusi intruksi selesai dikerjakan dalam satu atau dua siklus mesin, sehingga makin cepat dan andal. Proses downloading programnya relatif lebih mudah karena dapat dilakukan langsung pada sistemnya.[2]
Sekarang ini, AVR dapat dikelompokkan menjadi 6 kelas, yaitu keluarga ATtiny, keluarga AT90Sxx, keluarga ATMega, keluarga AT90CAN, keluarga AT90PWM, dan AT86RFxx. Pada dasarnya yang membedakan masing-masing kelas adalah memori, peripheral, dan fungsinya, sedangkan segi arsitektur dan instruksi yang digunakan hampir sama.[2]
ATmega8 memiliki model arsitektur Harvard, di mana ruang dan jalur bus memori program dipisahkan dengan memori data. Memori program diakses dengan metode single level pipelining, di mana ketika sebuah instruksi dijalankan, instruksi lain berikutnya akan di pre-fetched atau membaca sambil mengerjakan[3]. Secara garis besar arsitektur ATmega8 ditunjukkan pada gambar 1.

Gambar 1. Blok diagram arsitektur ATmega8[3]
Berdasarkan blok diagram gambar 1, ATmega8 memilliki komponen utama yang dibagi menjadi tiga bagian yaitu : Central Processing Unit (CPU), memori, dan internal peripheral.
-
2.3 RTC (Real Time Clock) DS 1307
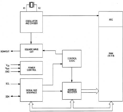
Serial Real Time Clock (RTC) DS1307 merupakan low-power dan full binary-coded-decimal (BCD). Data dan alamat ditransfer berurutan secara serial melalui dua kabel dan bidirectional bus. Clock/Calendar menyediakan detik, menit, jam, hari, tanggal, bulan, dan informasi tahun. Akhir dari tanggal dan bulan secara otomatis disesuaikan selama sebulan paling sedikit 31 hari, mencakup koreksi untuk tahun kabisat. Jam beroperasi dalam format 12-jam atau 24-jam dengan AM/PM indikator. DS1307 mempunyai suatu pendeteksi gangguan daya
dan secara otomatis men-supply tegangan dari baterai apabila VCC lebih kecil dari VBAT. [4].Diagram blok RTC DS1307 dapat dilihat pada gambar 2.

Gambar 2. Diagram blok RTC DS1307[4]
DS1307 mendukung bus 2 kawat bidireksional dan protokol tranmisi data. Piranti yang mengirim data ke dalam bus disebut sebagai transmiter dan piranti yang menerima data disebut receiver. Piranti yang mengontrol pesan disebut master. Piranti yang dikontrol oleh master disebut sebagai slave. Bus harus dikontrol oleh master yang membangkitkan clock serial (SCL), mengontrol akses bus dan membangkitkan kondisi start dan stop. DS1307 beroperasi sebagai slave pada bus 2-wire [4].
Peralatan keluaran yang sering digunakan dalam menampilkan bilangan adalah penampil seven segment. Segmen-segmen (seven segment ) tersebut dilabelkan dengan huruf a sampai g. Peraga tujuh segmen dapat dibuat dalam berbagai bentuk dan ukuran yang umumnya bisa menampilkan angka.
Peraga jenis lain adalah LCD (liquid crystal display), peraga cairan yang menghasilkan angka-angka berwarna kelabu atau putih perak. Modul LCD Character dapat dengan mudah dihubungkan dengan mikrokontroller. LCD yang akan kita pakai ini mempunyai lebar display 2 baris 16 kolom atau biasa disebut sebagai LCD Character 2x16, dengan 16 pin konektor.
Gambar 2.3 menunjukan keypad matrik 4x4 yang dihubungkan ke 2 port. Baris dihubungkan ke port output dan kolom dihubungkan ke port input. Jika tidak ada tombol yang ditekan pembacaan port input akan menghasilkan 1 untuk semua kolom karena mereka semua dihubungkan ke VCC. Jika semua baris dihubungkan ke tanah dan tombol ditekan satu dari kolom akan mempunyai logika 0
karena tombol yang ditekan memberikan jalur tanah (ground). Ini adalah fungsi dari mikrokontroler yaitu untuk menscan keyboard secara terus menerus dan mengenali tombol yang ditekan. [5]

Gambar 3. Keypad matrik 4x4[5]
BASCOM-AVR adalah program BASIC compiler berbasis Windows untuk mikrokontroler keluarga AVR. BASCOM-AVR merupakan pemrograman dengan bahasa tingkat tinggi BASIC yang dikembangkan dan dikeluarkan oleh MCS Electronics. Dengan menggunakan bahasa BASIC ini, para perancang lebih cepat mengembangkan aplikasinya karena beberapa baris perintah dalam bahasa assembler bisa digantikan dengan hanya satu baris perintah. Kelemahannya adalah memori program bisa lebih besar jika dibandingkan dengan bahasa assembler. Selain itu, tidak semua bahasa assembler bisa dengan mudah diterjemahkan ke bahasa BASIC, sehingga masih tetap dibutuhkan baris program yang ditulis dengan bahasa assembler. BASCOM-AVR memiliki perlengkapan dasar yang digunakan dalam pembuatan listing program, seperti karakter dalam BASCOM, tipe data, variabel, alias, konstanta, operasi-operasi dalam BASCOM, kontrol program. [6]
Metode penelitian menguraikan rancangan penelitian yaitu rancangan perangkat keras dan perangkat lunak yang direalisasikan. Perancangan perangkat keras meliputi perancangan hal-hal berikut.
-
3.1 Perancangan dan penjelasan diagram blok sistem
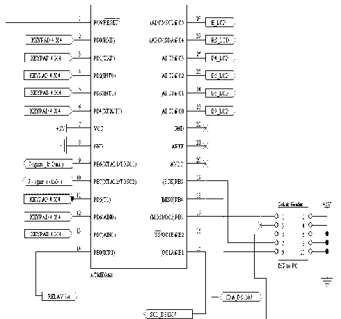
Pada gambar 4 bisa dilihat diagram blok sistem kontrol bel sekolah otomatis berbasis mikrokontroler ATMega 8.

Gambar 4. Diagram blok sistem kontrol bel sekolah otomatis
Dari blok diagram gambar 4 dapat dijelaskan fungsi masing-masing blok sebagai berikut :
-
1. Mikrokontroler AT Mega8 digunakan untuk menyimpan program yang dibuat dan mengeluarkannya sebagai output.
-
2. RTC DS1307 digunakan sebagai penyedia waktu
-
3. LCD dan Keypad 4 x 4 digunakan untuk menampilkan dan merubah data waktu yang akan dirubah sesuai dengan yang diinginkan
-
4. 7 Segment digunakan untuk menampilkan informasi jam saat ini
-
5. Relay digunakan sebagai saklar untuk
membunyikan bel sekolah
-
6. Bel sekolah yang digunakan sebagai output berupa Bel magnetic AC220 V merk Round Bel yang digunakan sebagai simulasi kontrol bel sekolah.
Adapun cara kerja dari alat ini dimulai dengan melakukan setting jam saat ini pada RTC, kemudian setting jam kapan alarm akan berbunyi dalam sehari selama seminggu pada mikrokontroler, di mana dalam melakukan setting waktu bel berbunyi dilakukan berdasarkan hari yang ada selama seminggu mulai senin sampai minggu. Setting urutan waktu berbunyinya bel sekolah per hari dibatasi maksimal 16 urutan waktu berbunyi.
Setelah setting waktu jadwal selama seminggu tersimpan maka secara otomatis AT Mega 8 bekerja membaca data yang tersimpan di eeprom tersebut berulang-ulang berdasarkan hari yang sudah disetting kapan waktu berbunyi bel sekolah tersebut, kemudian membandingkan data waktu RTC DS1307 dengan program waktu yang sudah ditetapkan oleh user. Apabila waktu setting di AT Mega 8 sesuai dengan RTC DS 1307 maka AT Mega 8 akan memberi perintah untuk menyambungkan relay yang terhubung ke round bel. Namun bila waktu setting di AT Mega 8 tidak sesuai dengan RTC DS 1307 maka AT Mega akan memberi perintah untuk mengirimkan data jam saat itu ke rangkaian 7 segment dan berlanjut mengirimkan data hari dan jam saat itu ke LCD.
Proses kerja bel otomatis itu akan terus berulang-ulang dan akan berubah bila dilakukan perubahan setting waktu bel. Untuk melakukan pengeditan jam dan edit bel bisa dilakukan melalui input dari keypad dan alat bantu display untuk edit setting adalah LCD tersebut. Bel Sekolah otomatis ini juga dilengkapi dengan saklar bel manual bila jam pulang sekolah maju karena suatu hal darurat.
Sistem minimum adalah rangkaian minimum yang diperlukan agar ATmega8 bisa menjalankan program. Rangkaian ini tersusun dari IC mikrokontroler ATmega8 dan soket header 5 x 2 (untuk keperluan pemrograman) yang bekerja pada level tegangan +5 Volt.
Semua port yaitu PORTB, PORTC, PORTD bersifat bidirectional dengan internal pull-up sehingga tidak memerlukan resistor pull-up eksternal. Untuk membangkitkan frekuensi kerja, pada perancangan ini menggunakan osilator RC internal sebesar 4 MHz dan diatur melalui bahasa pemrograman. Rangkaian sistem minimum ATmega8 dapat ditunjukkan seperti gambar 5.

Gambar 5. Rangkaian minimum ATmega8
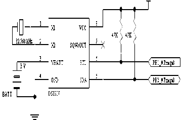
RTC DS1307 berbentuk IC 8 pin memakai kristal 32.768 kHz sebagai pembangkit frekuensi osilatornya. Tegangan VCC yang digunakan 5V dan VBAT nya sebesar 3V DC. RTC dihubungkan secara serial dengan mikrokontroler melalui PB1 untuk SCL, PB2 untuk SDA. Jalur untuk SDA dan SCL memerlukan pull-up eksternal resistor, dalam rancangan ini digunakan sebesar 47K sebagai
pembatas arusnya. Rangkaian RTC DS1307 dapat dilihat pada gambar 6.

Gambar 6 Rangkaian RTC DS1307
Pada perancangan ini diperlukan sebuah keypad sebagai tombol untuk memberikan input logika 0 dan 1 atau dengan kata lain memberikan instruksi terhadap mikrokontroler, selain itu keypad berfungsi juga untuk menampilkan variable angka pada LCD. Keypad 4 x 4 ini dihubungkan ke mikrokontroler ATmega8 melalui port PD0 sampai PD7. Masing-masing tombol pada keypad memiliki fungsi tersendiri seperti yang akan dijelaskan pada langkah-langkah sebagai berikut :
-
1. Penekanan tombol keypad dengan tulisan angka 0 sampai 9 akan menampilkan angka pada LCD.
-
2. Penekanan tombol keypad dengan tulisan CAN akan menampilkan menu edit tanggal hari ini pada LCD. Selain itu bisa juga berfungsi sebagai perintah merubah variabel angka pada menu pilihan edit daftar bunyi bel.
-
3. Penekanan tombol keypad dengan tulisan COR akan menampilkan menu edit jam dan hari saat ini pada LCD.
-
4. Penekanan tombol keypad dengan tulisan MEN akan menampilkan menu edit daftar bunyi bel dan melihat jadwal bunyi bel hari ini pada LCD.
-
5. Penekanan tombol keypad dengan tulisan ENT akan berfungsi sebagai tanda OK / Enter pada saat masuk menu pilihan edit bunyi bel.
-
6 Penekanan tombol keypad dengan tanda ↓ akan berfungsi untuk menggeser kursor pada LCD saat masuk menu pilihan edit bunyi bel.
-
7. Penekanan tombol keypad dengan tanda ↑ akan berfungsi untuk menuju pilihan urutan waktu bel bunyi berikutnya pada daftar jadwal hari yang sama. Fungsi ini berlaku saat masuk pada menu pilihan edit bunyi bel
LCD yang digunakan dalam perancangan ini adalah LCD 16 x2 EL1602 produksi Electrolite. Pinpin yang dihubungkan ke mikrokontroler ATmega8 terdiri dari 2 pin untuk jalur kontrol dan 4 pin untuk jalur data. Sedangkan pin VSS dan R/W dihubungkan ke ground, pin VEE terhubung dengan variabel
resistor 1kΩ untuk pengaturan cahaya pada LCD, pin VCC akan dicatu tegangan +5 Volt.
Pada penelitian ini displaynya terdiri dari 6 buah 7 segment, 6 buah IC register geser 74HC164, 6 buah IC ULN 2803 dan beberapa resistor 270 Ω.
Flowchart yang merupakan alur dari program bel sekolah otomatis ini dapat dilihat pada gambar 7.

Gambar 7. Alur program bel sekolah otomatis berbasis mikrokontroler

Gambar 7. Lanjutan
Setelah dilakukan perancangan sistem kontrol bel sekolah otomatis berbasis mikrokontroler AVR ATmega8 yang dilengkapi RTC DS 1307 dilanjutkan dengan pengujian dan perbaikan sehingga diperoleh realisasi perangkat keras secara keseluruhan seperti yang gambar 8.

Gambar 8. Realisasi perangkat keras sistem bel sekolah otomatis berbasis mikrokontroler
Pengujian dilakukan dengan mengoperasikan alat kontrol bel sekolah ini secara langsung sesuai dengan objek penelitian yaitu jadwal sekolah sebuah SMA. Adapun langkah-langkah untuk
mengoperasikan alat dijelaskan sebagai berikut :
-
1. Sambungkan catu daya alat ke tegangan listrik 220 V AC, kemudian nyalakan saklar power on/off alat
-
2. Pada kondisi awal saat catu daya diaktifkan, mikrokontroler melakukan proses reset untuk menentukan alamat awal saat program dibaca. Kemudian dilanjutkan proses inisialisasi untuk tiap-tiap port yang telah dikonfigurasi fungsinya.
-
3. Melalui port PB1 dan PB2 mikrokontroler melakukan komunikasi dengan RTC DS1307 untuk mendapatkan update jam, menit dan detik
-
4. Mikrokontroler memberikan perintah
menampilkan data jam, menit dan detik pada rangkaian 7segment melalui port PB6 dan PB7
-
5. Mikrokontroler kemudian memberikan perintah mengkonversi hari dari alamat berupa biner menjadi huruf
-
6. Mikrokontroler memberikan perintah
menampilkan data jam, menit, detik, tanggal, bulan, tahun dan hari saat ini ke LCD 16x2 yang terhubung melalui port PC0 sampai dengan PC5
-
7. Lihat jam, menit dan hari pada LCD alat apakah sudah sesuai dengan jam, menit dan hari sekarang, apabila berbeda maka lakukan setting jam dan hari pada alat terlebih dahulu agar sesuai dengan jam, menit dan hari waktu sekarang dengan cara menekan tombol COR pada keypad
-
8. Lihat data tanggal, bulan dan tahun pada LCD alat apakah sudah sesuai dengan tanggal, bulan dan tahun waktu sekarang, apabila berbeda maka lakukan setting terlebih dahulu dengan menekan tombol keypad CAN.
-
9. Setelah data jam, menit, hari, tanggal, bulan dan tahun pada alat sesuai dengan data waktu sekarang maka lakukan input data edit bel dengan cara menekan tombol MEN pada keypad.
-
10. Mikrokontroler melakukan perbandingan waktu saat ini dengan jam 00.00, apabila jam saat ini tidak sama dengan jam 00.00 maka mikrokontroler akan melakukan perbandingan waktu jam dan menit dengan tabel bel hari ini.
Ada 3 bunyi bel yaitu :
-
a. Bel bunyi panjang selama 10 detik.
-
b. Bel bunyi 1 detik kemudian jeda dan bunyi lagi 3 detik.
-
c. Bel bunyi 2 detik kemudian jeda dan bunyi lagi 1 detik kemudian jeda lagi dan kembali bunyi 2 detik lagi.
-
11. Mikrokontroler membaca apakah ada intruksi penekanan pada tombol keypad 4x4, apabila ada penekanan maka mikrokontroler akan membaca intruksi tersebut untuk dilakukan proses
selanjutnya sesuai dengan fungsi masing-masing tombol keypad 4x4.
Dari pembahasan yang telah diuraikan, maka dapat ditarik simpulan sebagai berikut:
-
1. RTC sebagai sumber waktu bisa berkomunikasi dan dikendalikan mikrokontroler AVR ATMega8.untuk menentukan kapan bel berbunyi sesuai jadwal pelajaran yang ada.
-
2. Relay dapat dikendalikan oleh mikrokontroler AVR ATMega8 untuk membunyikan bel secara otomatis berdasarkan jadwal yang sudah diprogram sebelumnya.
-
3. Rangkaian 7segment dapat menampilkan data jam, menit dan waktu secara real time berdasarkan input dari waktu di RTC dengan pengendalian dari mikrokontroler AVR ATMega8.
-
[1] - ,2006. Panduan Penyusunan Kurikulum Tingkat Satuan Pendidikan Jenjang Pendidikan Dasar dan Menengah. BNSP. Jakarta
-
[2] Iswanto. 2010. Design dan Implementasi Sistem Embedded Mikrokontroler ATMega8535 dengan Bahasa Basic. Gava Media. Yogyakarta
-
[3] http://www.atmel.com/dyn/resources/prod_ documents/doc1919.pdf, diakses tgl 10 Januari
-
[4] http://datasheets.maxim-ic.com/en/ds/DS 1307. pdf, diakses 17 Januari 2011
-
[5] Mazidi, Muhamad Ali, Mazidi, Janice Gillispie. 2000. The 8051 Microcontroller and Embedded System. Prentice-Hall. Inc.. New Jersey
-
[6] Wahyudi, D. 2007. Belajar Mudah
Mikrokontroler AT89S52 dengan Bahasa Basic Menggunakan BASCOM-8051. Andi.
Yogyakarta
Teknologi Elektro
1 7
Vol.10 No 2 Juli –Desember 2011
Discussion and feedback