Simulasi Penggunaan Filter Pasif, Filter Aktif dan Filter Hybrid Shunt untuk Meredam Meningkatnya Distorsi Harmonisa yang Disebabkan Oleh Munculnya Gangguan Resonansi
on
Simulasi Penggunaan Filter …
I Wayan Rinas
Simulasi Penggunaan Filter Pasif, Filter Aktif dan Filter Hybrid Shunt untuk Meredam Meningkatnya Distorsi Harmonisa yang Disebabkan Oleh Munculnya Gangguan Resonansi
I Wayan Rinas
Jurusan Teknik Elektro, Fakultas Teknik, Universitas Udayana Kampus Bukit Jimbaran, Bali, 80361 *Email: rinas@unud.ac.id
Abstrak
Beban nonlinier merupakan salah satu penyebab terjadinya distorsi harmonisa. Harmonisa yang terjadi menyebabkan bentuk gelombang arus dan tegangan tidak sinusoidal sehingga dapat merusak peralatan-peralatan elektronik yang dioperasikan. Penelitian yang telah dilakukan sebelumnya membahas mengenai penggunaan filter pasif, filter aktif dan filter hybrid shunt dalam meredam gangguan harmonisa yang terjadi di RSUP Sanglah, namun dalam penelitian-penelitian tersebut diasumsikan tidak terjadi gangguan resonansi yang dapat menimbulkan harmonisa yang tinggi pada sistem kelistrikanny, sehingga belum diketahui kemampuan dari filter-filter harmonisa tersebut dalam meredam gangguan resonansi harmonisa. Gangguan resonansi yang tinggi dapat menyebabkan meningkatnya harmonisa yang dapat mencapai 4 sampai 10 kali pada kondisi muatan penuh. Sehingga perlu diteliti kemampuan dari filter pasif, filter aktif, dan filter hybrid shunt dalam meredam gangguan resonansi harmonisa agar didapat nilai THD yang sesuai standar IEEE 519 tahun 1992. Dalam penelitian ini simulasinya menggunakan sofware simulink MATLAB. Dari penggunaan ketiga filter dalam meredam gangguan resonansi harmonisa didapatkan hasil antara lain filter pasif memiliki kandungan THDi rata-rata 82.67% sedangkan THDv 7.22%, untuk filter aktif memiliki kandungan THDi rata-rata 26.01% dan THDv 2.58% sedangkan penggunaan filter hybrid shunt nilai rata-rata THDi sebesar 8.78% dan THDv sebesar 2.08% . Sehingga penggunaan filter harmonisa yang paling baik dalam menurunkan nilai THDi serta THDv adalah filter hybrid shunt, dimana memiliki nilai THDi serta THDv yang paling kecil dan sesuai standar IEEE 519 Tahun 1992.
Kata Kunci : Harmonisa, resonansi, filter aktif, filter pasif dan filter hybrid shunt
Resonansi merupakan frekuensi tinggi yang terjadi dalam suatu rangkaian yang mengandung unsur induktif dan kapasitif, yang menyebabkan reaktansi induktif dan reaktansi kapasitif saling menghilangkan, sehingga didapat karakteristik rangkaian sebagai resistor murni [1]. Filter harmonisa merupakan salah satu solusi dalam meredam gangguan resonansi harmonisa yang terjadi. Ada beberapa jenis filter harmonisa yaitu filter pasif, filter aktif dan filter hybrid. Semua filter tersebut mempunyai kemampuan dan kelemahan masing -masing dalam meredam gangguan resonansi harmonisa.
Berdasarkan hasil penelitian penggunaan filter pasif oleh Yuliana (2009) yang dilakukan di RSUP Sanglah, menunjukan kandungan THDi pada MDP2 MLTP2 adalah 2.34%, MDP3 MLTP1 adalah 2,6%, MDP3 MLTP2 adalah 2,83%, MDP4 MLTP2 adalah 2,97%, MDP5 MLTP2 adalah 2,66%, dan MDP5 MLTP3 adalah 1,41% [2].
Penelitian – penelitian yang telah dilakukan sebelumnya hanya membahas mengenai penggunaan filter dalam meredam gangguan harmonisa, dimana dianggap tidak ada gangguan resonansi harmonisa yang terjadi. Padahal gangguan resonansi yang besar dapat menyebabkan bertambanya harmonisa 4 sampai 10 kali pada kondisi beban penuh [3].
Sehingga perlu diteliti kemampuan dari filter pasif, filter aktif, dan filter hybrid shunt dalam meredam gangguan resonansi harmonisa.
Berdasarkan hal tersebut di atas, maka dilakukan simulasi penggunanan filter pasif, aktif, dan filter hybrid shunt untuk meredam gangguan resonansi harmonisa. Simulasi yang dilakukan menggunakan bantuan software simulink MATLAB. Hal ini diharapkan memberikan hasil yang maksimal untuk meredam resonansi yang terjadi dalam system kelistrikannya.
Harmonisa menurut International Electrotechnical Commision (IEC) 6100-2-1- 1990 didefenisikan sebagai tegangan atau arus sinusoidal yang mempunyai kelipatan frekuensi sistem pasokan tenaga listriknya sebagaimana yang dirancang untuk dioperasikan ( 50 Hz atau 60 Hz). Mirip dengan IEC, Institute of Electrical and Electronic Engineering (IEEE) Std 1159-1995 mendefenisikan harmonisa sebagai tegangan atau arus sinusoidal yang mempunyai kelipatan bulat dari frekuensi dimana system tenaga listrik pasokannya dirancang untuk dioperasikan.
Teori yang dipakai untuk memahami gelombang harmonisa adalah Teori dari deret fourier. Dalam metode fourier series dapat menunjukkan komponen genap dan ganjil [4].
.. (1)
dengan x(t) adalah time domain sinyal, dan
X(f) adalah transformasi fourier.
Persentase Total Distorsi Harmonisa atau Total Harmonic Distortion (THD) tegangan dan arus dirumuskan seperti pada Persamaan (2) dan persamaan (3) sebagai berikut [5]:
................ (2)
dengaan:
Vh = Komponen harmonisa tegangan ke-h
V 1= Tegangan frekwensi fundamental (rms)
J∑2^ ................. (3) h
dengan :
Ih = Komponen harmonisa arus ke-h
I 1 = Arus frekwensi fundamental (rms)
Menurut standar IEEE 519 – 1992, untuk total
distorsi harmonisa dapat dilihat pada tabel 1 di bawah ini, dengan :
Isc = Max short circuit current di PCC
(Point of Common Coupling)
IL = Max load current (arus beban
fundamental) di PCC
Dimana, Isc (Arus hubung singkat) dapat dicari dengan rumus:
KVA × 100
√3 × KV × Z(%)
Sedangkan IL (Arus beban maksimum) dapat dicari
dengan rumus:
τ _ JfW
I= L
(5)
Tabel 1: Current Distortion Limits untuk General Distribution System [6]
Maximum Harmonics Current Distortion In % IL
Individual Harmonic Order (Odd Harmonics)
|
Isc/ IL |
<11 |
11=<h<17 |
17=<h<23 |
23=<h<35 |
35=<h |
THD |
|
<20 |
4 |
2 |
1,5 |
0,6 |
0,3 |
5 |
|
20-50 |
7 |
3,5 |
2,5 |
1 |
0,5 |
8 |
|
50 100 |
10 |
4,5 |
4 |
1,5 |
0,7 |
12 |
|
100 1000 |
12 |
5,5 |
5 |
2 |
1 |
15 |
|
>1000 |
15 |
7 |
6 |
2,5 |
1,4 |
20 |
Untuk standar THD tegangan menurut IEEE 519 – 1992 dapat dilihat pada tabel 2 di bawah ini.
Tabel 2: Voltage Distortion Limits[6]
|
Voltage at PCC |
Individual Voltage Distortion % |
THD (%) |
|
69 kV and below |
3.0 |
5.0 |
|
69 kV – 161 kV |
1.5 |
2.5 |
|
161 kV |
1.0 |
1.5 |
Rangkaian Passive Filter terdiri dari komponen R, L, dan C. Passive Filter banyak digunakan untuk mengkompensasi kerugian daya reaktif akibat adanya harmonisa. Nilai dari kapasitansi dan induktansi filter pasif dapat ditentukan dengan menggunakan persamaan (6) dan (7).
....................................... (6) ωo*^
Q ................................ (7)
Vln-^W

Gambar 1. Passive tuned filters
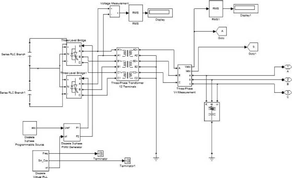
Filter Aktif merupakan perangkat elektronik yang digunakan untuk memperbaiki kwalitas daya listrik.
Gambar 2. Disain filter aktif pada MATLAB
Bus kapasitor dc sebagai sumber tegangan pada filter aktif memiliki nilai kapasitansi (Cdc) dan rating tegangan bus kapasitor (Vn) dimana nilai tersebut diperoleh dari persamaan :
Vn = Vc Volt ............................................ (8)
1,83
Cdc
0.0345 x Sn
Farad ........................
Vn2
(9)
Dimana Vc merupakan nilai rms dari tegangan
sumber (Vs)
Filter hybrid shunt merupakan gabungan dari dua buah filter yaitu filter pasif dan filter aktif yang dirangkai secara parallel.
Efek distorsi gelombang sinusoidal pada sistem menyebabkan terjadinya resonansi, yaitu adanya kapasitor pada jaringan sistem tegangan rendah yang biasanya dipakai untuk memperbaiki power faktor dapat menimbulkan resonansi pada sistem lokal yang diikuti dengan naiknya arus yang sangat besar yang merugikan kapasitor itu sendiri. Resonansi pada sistem dibagi 2 yaitu resonansi paralel dan resonansi seri.
fo = 7⅛ Hz ........................................ (10)
Dimana f0 = frekuensi resonansi (Hz)
L = Induktor (Henry) C = kapasitor (Farad)
Simulasi yangdilakukan pada penelitian ini menggunakan beberapa tahapan, seperti dapat dilihat pada diagram alir pada gambar 3.

.Analisis perbandingan penggunanan filter pasif, filter aktif dan filter hybrid shunt dalam meredam gangguan resonansi Iiarmonisa
Gambar 3. Alur analisis
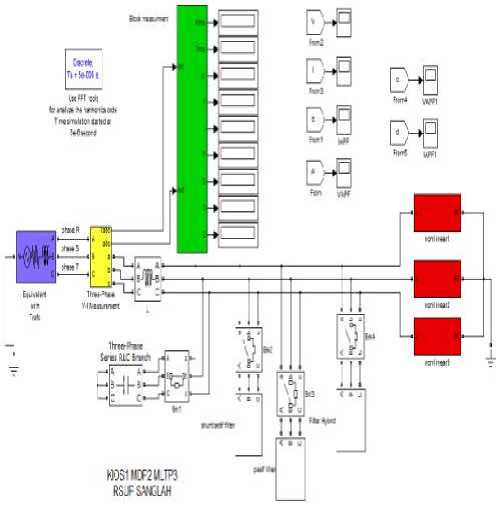
Rangkaain pemodelan yang digunakan terdiri dari komponen induktan (L) dan kapasitor (C). Rangkain dalam simulasi dapat dilihat pada gambar 4 di bawah ini.

Gambar 4 Rangkaian resonansi harmonisa pada MATLAB
Dengan bantuan FFT Tools dapat diketahui besarnya kandungan THD pada sinyal dan spectrum yang dihasilkan oleh simulasi pada sistem, seperti yang terlihat pada gambar 5 dan 6.

Gambar 5. sinyal dan spektrum arus harmonisa saat terjadi resonansi

Gambar 6. sinyal dan spectrum tegangan harmonisa saat terjadi resonansi
Untuk nilai THD yang lainnya dapat dilihat pada tabel 3 di bawah ini.
Tabel 3: Nilai THD setelah terjadi gangguan resonansi harmonisa
|
O |
2 ⅛ |
Sebelum Resonansi |
Sesudah Resonansi | |||
|
THDi (%) |
THDv (%) |
THDi (%) |
THDv (%) | |||
|
1 |
1 |
1 |
18.70 |
0.36 |
171.41 |
11.25 |
|
2 |
17.10 |
0.32 |
172.63 |
11.22 | ||
|
2 |
3 |
18.38 |
1.09 |
95.33 |
8.21 | |
|
2 |
1 |
1 |
12.31 |
1.47 |
82.04 |
7.08 |
|
2 |
2 |
15.69 |
0.63 |
141.24 |
10.47 | |
|
3 |
1 |
1 |
14.16 |
1.24 |
86.07 |
7.56 |
|
4 |
1 |
1 |
19.81 |
1.04 |
103.96 |
8.38 |
|
2 |
2 |
15.42 |
0.67 |
133.57 |
10.47 | |
|
1 |
1 |
18.49 |
2.06 |
71.50 |
6.56 |
|
2 |
2 |
16.94 |
2.47 |
62.38 |
5.77 |
|
3 |
3 |
10.51 |
0.69 |
21.44 |
1.94 |
Dalam tugas akhir ini penurunan THD akibat gangguan resonansi harmonisa yang terjadi menggunakan tiga filter yaitu yang pertama menggunakan filter pasif, kemudian filter aktif dan terakhir menggunakan filter hybrid yang disusun secara paralel.
Hasil simulasi dari penggunaan filter pasif tersebut dalam menaggulangi gangguan resonansi dapat dilihat pada gambar 4 dan 5 di bawah ini.
Tabel 4: Nilai THD setelah Penambahan Filter Pasif
dalam Meredam Gangguan Resonansi Harmonisa
|
KIOS |
MDP |
MLTP |
Filter Pasif | |
|
THDi (%) |
THDv (%) | |||
|
1 |
MDP1 |
MLTP1 |
143.49 |
9.11 |
|
MLTP2 |
147.88 |
8.78 | ||
|
MDP2 |
MLTP3 |
62.48 |
8.56 | |
|
2 |
MDP1 |
MLTP1 |
81.86 |
7.06 |
|
MDP2 |
MLTP2 |
100.89 |
8.30 | |
|
3 |
MDP1 |
MLTP1 |
52.60 |
8.29 |
|
4 |
MDP1 |
MLTP1 |
68.97 |
7.11 |
|
MDP2 |
MLTP2 |
100.08 |
8.26 | |
|
5 |
MDP1 |
MLTP1 |
69.39 |
6.40 |
|
MDP2 |
MLTP2 |
60.79 |
5.65 | |
|
MDP3 |
MLTP3 |
20.96 |
1.94 | |
Gambar 4. Sinyal dan spektrum arus harmonisa menggunakan filter pasif
Hasil simulasi dari penggunaan filter aktif tersebut dalam menaggulangi gangguan resonansi yang terjadi dapat dilihat pada gambar 4.6 dan 4.7 di bawah ini.
Signalto analyze
Diepay evh>dv<J eiyι∣al o tieplay FFT wiιιJuw
Gambar 5. Sinyal dan spektrum tegangan harmonisa menggunakan filter pasif
Gambar 6. Sinyal dan spektrum arus harmonisa menggunakan filter aktif
Gambar 7. Sinyal dan spektrum tegangan harmonisa menggunakan filter aktif
Dengan cara yang sama maka untuk nilai THD yang lainnya setelah penggunaan filter pasif dapat dilihat pada tabel 4.
Dengan cara yang sama maka untuk nilai THD yang laiannya setelah penggunaan filter aktif dapat dilihat pada tabel 5 di bawah ini.
Tabel 5 Nilai THD Setelah Penambahan Filter Aktif Dalam Meredam Gangguan Resonansi Harmonisa
|
KIOS |
MDP |
MLTP |
Filter Aktif | |
|
THDi (%) |
THDv (%) | |||
|
1 |
MDP1 |
MLTP1 |
34.66 |
3.35 |
|
MLTP2 |
35.70 |
3.64 | ||
|
MDP2 |
MLTP3 |
30.48 |
2.67 | |
|
2 |
MDP1 |
MLTP1 |
24.47 |
2.27 |
|
MDP2 |
MLTP2 |
23.58 |
2.37 | |
|
3 |
MDP1 |
MLTP1 |
21.42 |
2.06 |
|
4 |
MDP1 |
MLTP1 |
24.37 |
2.48 |
|
MDP2 |
MLTP2 |
30.22 |
2.95 | |
|
5 |
MDP1 |
MLTP1 |
25.23 |
2.53 |
|
MDP2 |
MLTP2 |
23.36 |
2.48 | |
|
MDP3 |
MLTP3 |
12.66 |
1.56 | |
Hasil simulasi dari penggunaan filter hybrid shunt tersebut dalam menaggulangi gangguan resonansi yang terjadi dapat dilihat pada gambar 8 dan 9 di bawah ini.

Gambar 8. Sinyal dan spektrum arus harmonisa menggunakan filter hybrid shunt

Gambar 9. Sinyal dan spektrum tegangan harmonisa menggunakan filter hybrid shunt
Dengan cara yang sama maka untuk nilai THD yang laiannya setelah penggunaan filter hybrid shunt dapat dilihat pada tabel 6 di bawah ini.
Tabel 6: Nilai THD Setelah Penambahan Filter Hybrid shunt Dalam Meredam Gangguan Resonansi Harmonisa
|
KIOS |
MDP |
MLTP |
Filter Hybrid | |
|
THDi (%) |
THDv (%) | |||
|
1 |
MDP1 |
MLTP1 |
12.81 |
1.74 |
|
MLTP2 |
11.51 |
1.65 | ||
|
MDP2 |
MLTP3 |
8.31 |
2.44 | |
|
2 |
MDP1 |
MLTP1 |
6.25 |
1.76 |
|
MDP2 |
MLTP2 |
7.89 |
1.63 | |
|
3 |
MDP1 |
MLTP1 |
7.84 |
2.71 |
|
4 |
MDP1 |
MLTP1 |
12.04 |
2.05 |
|
MDP2 |
MLTP2 |
9.58 |
2.25 | |
|
5 |
MDP1 |
MLTP1 |
6.91 |
2.90 |
|
MDP2 |
MLTP2 |
6.52 |
2.63 | |
|
MDP3 |
MLTP3 |
7.00 |
1.20 | |
-
4.3 Perbandingan Hasil Simulasi Penggunaan Filter Pasif, Aktif Dan Filter Hybrid Shunt Dalam Penanggulangan Gangguan Resonansi
Dari simulasi yang telah dilakukan maka dapat dibandingkan penggunaan filter harmonisa tersebut dalam meredam gangguan resonansi harmonisa yang terjadi seperti telihat pada grafik di bawah ini.
■ Fitter Pasif □ Filter Aktif ■ Filter Hybrid
160.00%
140.00%
120.00%
100 00%
80.00%
60.00%
40.00%
20.00%
0.00%

KIOSl KIOSl KIOSl KI0S2 KI0S2 KI0S3 KI0S4 KI0S4 KIOSS KIOSS KIOSS MDPl MDPl MDP2 MDPl MDP2 MDPl MDPl MDP2 MDPl MDP2 MDP3 MLTPl MLTP2 MLTP3 MLTPl MLTP2 MLTPl MLTPl MLTP2 MLTPl MLTP2 MLTP3
Gambar 10. Grafik perbandingan penggunaan filter harmonisa dalam menurunkan THDi

Gambar 11. Grafik perbandingan penggunaan filter harmonisa dalam menurunkan THDv
Dari penggunaan ketiga filter tersebut dapat diketahui rata – rata nilai THDi maupun THDv pada saat terjadinya resonansi harmonisa seperti yang terlihat pada tabel 7 di bawah ini.
Tabel 7: Rata – rata nilai THD masing – masing filter saat terjadi resonansi
|
Filter Harmonisa |
THDi (%) |
THDv (%) |
|
Filter Pasif |
82.67% |
7.22% |
|
Filter Aktif |
26.01% |
2.58% |
|
Filter Hybrid |
8.78% |
2.08% |
5. SIMPULAN
-
[5] Mohan, N. 1989. Power Electronic Converter, Application and Design. New York : A Wiley Interscience Publication, 1989.
-
[6] Burke, James J. Power Distribution Engineerng – Fundamentals And Applications. New York : Marcel Dekker INC, 1994.hal.284.
-
[7] Akagi, H. 1996. New Trends in Active Filters for Power Conditioning. IEEE Transaction on Industry Application, Vol. 32. pp. 1312-1322, Desember 1996.
Perbandingan nilai rata - rata THDi dan THDv dari penggunaan filter harmonisa pada saat terjadi gangguan resonansi harmonisa yaitu: filter pasif memiliki kandungan THDi rata – rata 82.67% sedangkan THDv 7.22%, untuk filter aktif memiliki kandungan THDi rata- rata 26.01% dan THDv 2.58% sedangkan penggunaan filter hybrid shunt nilai rata – rata THDi sebesar 8.78% dan THDv sebesar 2.08% . Sehingga penggunaan filter harmonisa yang paling baik dalam menurunkan nilai THDi maupun THDv adalah filter hybrid shunt dimana memiliki nilai THDi maupun THDv yang paling kecil.
Kandungan nilai THDi pada saat penggunaan filter pasif dan filter aktif belum memenuhi standar IEEE 519 Tahun 1992, sedangkan nilai THDi filter hybrid shunt telah sesuai standar IEEE 519 Tahun 1992. Kandungan THDv saat penggunaan filter pasif belum memenuhi standar IEEE 519 Tahun 1992, sedangkan nilai THDv filter aktif dan filter hybrid shunt telah sesuai standar IEEE 519 Tahun 1992.
-
[1] William, H. et al. 2005. Analisis Rangkaian Listrik. Ed.6 Jl.2. Erlangga: Jakarta
-
[2] Yuliana, A. 2009. Analisis Menanggulangi THD (Total Harmonic Distortion) dengan Filter Pasif pada Sistem Kelistrikan di RSUP Sanglah, Jimbaran : Jurusan Teknik Elektro Universitas Udayana.
-
[3] Limantara, Limboto. 2002. Hybrid Active Filter Untuk Meredam Resonansi Harmonisa Pada Sistem Pembangkitan di Industri, Jurnal Teknik Elektro Vol. 2, No. 1, Maret 2002.
-
[4] Dugan, Roger. et al. 2003. Electrical Power Systems Quality. New York : McGraw-Hill. 2003.
Teknologi Elektro
15
Vol. 12 No. 2 Juli- Desember 2013
Discussion and feedback